并联电池的等效电动势

本篇文章来自于最近教学讨论中,一位同学提出的很有意思的问题。

高中物理的电路分析中,不时地会碰到多个电池头尾相连地串联在一起的问题。有良好高中物理基础的读者应该很快就可以说出结论,这些串联电池的等效电动势(e.m.f.)是各自电动势的总和,等效内阻(internal resistance)也是各自内阻的总和。

那么如果是一堆并联的电池,它们的等效电动势和等效内阻会是什么样子的?某只学霸妹纸课上就提了这么个问题,我自己算了算,觉得还挺有意思,写篇小破文章上来灌灌水。

多个电池并联的情况在高中课程里其实也有机会碰到,不过一般也就只会考察相对简单的情形,即多个电动势和内阻都相同的电池进行并联会如何。如此得到的等效电动势就等于单个电池的电动势,而等效内阻相当于所有内阻并联的等效电阻。

但更一般的情况,具体来说,如果我们有一系列电池,电动势\(/\)内阻分别为 \(\mathcal{E}_1/r_1, \mathcal{E}_2/r_2, \cdots, \mathcal{E}_n/r_n\),它们并联后的等效电动势 \(\mathcal{E}\) 和等效内阻 \(r\) 又该如何计算呢?

对于这种含有独立电源(电压源或电流源)及固定电阻的线性网络,我们其实可以用戴维宁定理(Thevenin’s theorem)来将整个网络等效成一个固定内阻的等效电压源。不过这里,我们将从基本的基尔霍夫定律(Kirchhoff’s laws)出发,来分析处理并联电池的问题,最后做一些讨论。

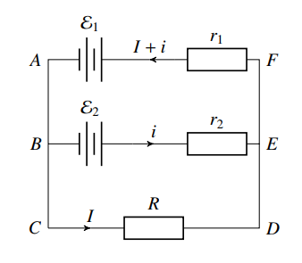
我们先来分析两个并联电池的情形。设它们的电动势分别为 \(\mathcal{E}_1\), \(\mathcal{E}_2\),内阻分别为 \(r_1\), \(r_2\)(如下图所示)。

我们假想在它们两端接上一个电阻为 \(R\) 的用电器。不失普遍性,假设 \(\mathcal{E}_1>\mathcal{E}_2\),各支路上的电流如图所示。

利用基尔霍夫第二定律,对于闭合回路 \(ABEFA\),有

\[\mathcal{E}_1 = IR + (I+i)r_1\]

对于闭合回路 \(BCDEB\),有

\[\mathcal{E}_2 = IR - ir_2\]

将上面的两个式子分别乘以 \(r_2\) 和 \(r_1\) 后加到一起,我们可以消去带 \(i\) 的项,然后解出通过外电阻 \(R\) 的电流 \(I\):

\[I = \frac{r_1\mathcal{E}_2 + r_2\mathcal{E}_1}{(r_1+r_2)R+r_1r_2}\]

如果这组并联电池具有等效电动势 \(\mathcal{E}\) 和等效内阻 \(r\),则对于任意的 \(R\),都必须有:

\[\mathcal{E} = I (R+r)\]

把我们解出的电流 \(I\) 的表达式代进来,得到:

\[\mathcal{E} = \frac{r_1\mathcal{E}_2 + r_2\mathcal{E}_1}{(r_1+r_2)R+r_1r_2} \times (R+r)\] \[[\mathcal{E} (r_1+r_2) - (r_1\mathcal{E}_2 + r_2\mathcal{E}_1)] R = \mathcal{E} r_1r_2 - (r_1\mathcal{E}_2 + r_2\mathcal{E}_1)r\]

上式要对所有 \(R\) 的取值都成立,但注意式子两边,一边显含有 \(R\) 而另一边是与 \(R\) 无关的常数,两边恒等要求:

\[\left\{\begin{array}{l} \mathcal{E} (r_1+r_2) - (r_1\mathcal{E}_2 + r_2\mathcal{E}_1) = 0 \\ \mathcal{E} r_1r_2 - (r_1\mathcal{E}_2 + r_2\mathcal{E}_1)r = 0 \end{array}\right.\]

从中可以解出

\[\left\{\begin{array}{l} \displaystyle r = \frac{r_1r_2}{r_1+r_2} \\ \displaystyle \mathcal{E} = \frac{r_1\mathcal{E}_2 + r_2\mathcal{E}_1}{r_1+r_2} \end{array}\right.\]

稍作一些变换,在分式上下同除以 \(r_1r_2\),我们可以将结果写成更对称的形式:

\[\left\{\begin{array}{l} \displaystyle r = \frac{1}{\frac{1}{r_1} + \frac{1}{r_2}} \\ \displaystyle \mathcal{E} = \frac{\frac{\mathcal{E}_1}{r_1} + \frac{\mathcal{E}_2}{r_2}}{\frac{1}{r_1} + \frac{1}{r_2} } \end{array}\right.\]

最终可以整理成更简洁漂亮、物理意义也更明确的形式:

\[\left\{\begin{array}{l} \displaystyle \frac{1}{r} = \frac{1}{r_1} + \frac{1}{r_2} \\ \displaystyle \frac{\mathcal{E}}{r} = \frac{\mathcal{E}_1}{r_1} + \frac{\mathcal{E}_2}{r_2} \end{array}\right.\]

由此,我们可以看到,两个并联电池的内阻,就相当于两者内阻并联之后的等效电阻。但等效电动势的结果就没有显而易见了,它看起来是两个电池各自电动势以某种方式在做加权的平均。

为了更好理解等效电动势的结果,我们不妨考虑将电池短接。这时两个电池分别驱动大小为 \(I_1=\frac{\mathcal{E}_1}{r_1}\) 和 \(I_2=\frac{\mathcal{E}_2}{r_2}\) 的电流。这两个电流加在一起,应当等于总的短路电流,即通过等效来看可以得到的 \(I=\frac{\mathcal{E}}{r}\)。这正是等效电动势表达式所表述的结果。

以上推得的两个电阻并联的结果,可以很容易地推广到 \(n\) 个电池并联的情况,它们的等效内阻和等效电动势由下式给出:

\[\left\{\begin{array}{l} \displaystyle \frac{1}{r} = \frac{1}{r_1} + \frac{1}{r_2} + \cdots + \frac{1}{r_n} \\ \displaystyle \frac{\mathcal{E}}{r} = \frac{\mathcal{E}_1}{r_1} + \frac{\mathcal{E}_2}{r_2} + \cdots + \frac{\mathcal{E}_n}{r_n} \end{array}\right.\]

结果的证明从略,有兴趣的读者可以自行尝试证明。